Самовывоз бесплатно
ЭФФЕКТИВНОЕ ТЕПЛО
Отопительный элемент оснащён специальным защитным кожухом, который минимизирует потери тепла. Это значит, что вы получите максимальную эффективность и комфорт, а ваши расходы на отопление будут ниже!
НАДЁЖНОЕ УПРАВЛЕНИЕ
Главная плата котла использует множество реле для управления, что обеспечивает высокую надежность и стабильность работы.
Забудьте о перебоях — наш котел будет вас радовать теплом в любое время!
БЕЗОПАСНОСТЬ НА ПЕРВОМ МЕСТЕ
Термостатный блок подключён как к фазному, так и к нулевому проводу, но вы можете легко отключить их одновременно для полной безопасности. Таким образом, вы можете быть уверены в надёжной защите вашего жилья.
ДОЛГОВЕЧНОСТЬ И ОТСУТСТВИЕ УТЕЧЕК
Мы применяем только самые качественные материалы, такие как медь, и используем высокотехнологичный водосчетчик с флип-пластиной для обеспечения долгого срока службы и стабильности работы.
Вам не придётся беспокоиться о возможных утечках!
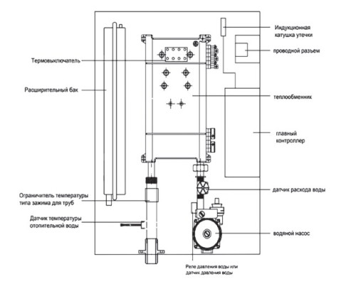
Конструкция
Параметры
Подключения
Информация о производителе
Габариты и вес
Нет отзывов о данном товаре.
